×
搜索
搜索
网站导航
首 页
关于我们
产品中心
公司形象
联系我们
合作客户
下载中心
新闻资讯
您的位置:
首页
→
产品中心
→
直线模组系列
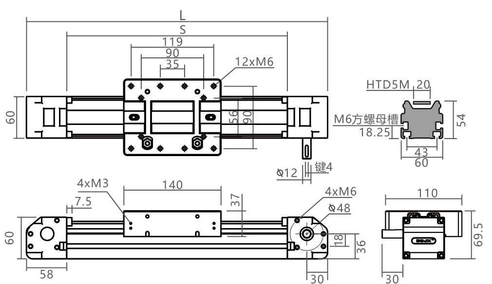
W60-30 同步带直线模组-导程95mm
上一个:W40-15 同步带直线模组-导程75mm
下一个:T40 推拉杆同步带直线模组-导程75mm
详情介绍
东莞市百山机械有限公司 版权所有
技术支持:
东莞网站建设