×
搜索
搜索
网站导航
首 页
关于我们
产品中心
公司形象
联系我们
合作客户
下载中心
新闻资讯
您的位置:
首页
→
产品中心
→
抓取组件系列
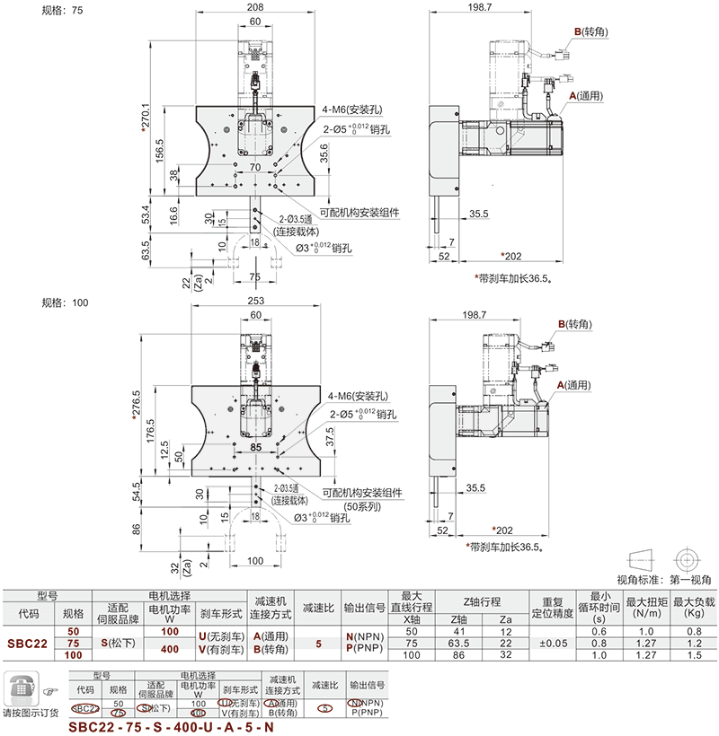
SBC21-22 U型高速移载PPU闭环集成式步进高速抓取机构快速凸轮机械手东莞厂家
上一个:SAGT05 定制滚筒输送机不锈钢托辊传送带快递分拣辊筒托盘重型滚筒输送机
下一个:SBC06-07 可旋转型横移机械手
详情介绍
东莞市百山机械有限公司 版权所有
技术支持:
东莞网站建设