×
搜索
搜索
网站导航
首 页
关于我们
产品中心
公司形象
联系我们
合作客户
下载中心
新闻资讯
您的位置:
首页
→
产品中心
→
抓取组件系列
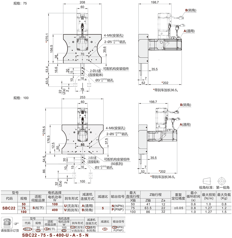
SBC21-22 U型高速移载PPU闭环集成式步进高速抓取机构快速凸轮机械手东莞厂
上一个:SBC16-17 90°移栽PPU
下一个:SBC26-27 行程可调整型移栽PPU-不可旋转
详情介绍
东莞市百山机械有限公司 版权所有
技术支持:
东莞网站建设